Маркировка крепежа

Маркировка крепежа - нанесение условных знаков, букв, цифр на изделие, указывающих на его свойства и характеристики, с целью его дальнейшей идентификации.
1. Условное обозначение болтов, винтов, шпилек и гаек
Полное обозначение болтов, винтов, шпилек и гаек нормируется стандартом ГОСТ 1759.0-87 «Болты, винты, шпильки и гайки. Технические условия». Согласно этому стандарту принято следующее правило построения обозначения крепежа:
Наименование Геометрические размеры Механические свойства Покрытие Стандарт
Примеры обозначений:
-
Винт А2М12х1,25-6gх50. 58 ГОСТ 17473-80;
-
Шпилька М16-LН-6еx120. 109. 30ХМА. 016 ГОСТ 22034-76;
-
Гайка 2M20-6H.05.40X. 029 ГОСТ 5916-70;
-
Шайба 24 Хим.Фос.прм ГОСТ Р 52646-2006;
-
Шуруп 4х12. Ц9.хр-Z ТУ BY 400024166.007-2008.
Полная схема условного обозначения болтов, винтов, шпилек и гаек приведена ниже:

Кроме того, в условном обозначении крепежа не указывают:
-
исполнение 1;
-
крупный шаг резьбы;
-
правую резьбу;
-
отсутствие покрытия;
-
класс точности В, если стандартом на конкретное крепежное изделие предусматривается 2 класса точности (А и В);
-
параметры, однозначно определяемые стандартами на продукцию:
-
болтов классов точности А и В – 6g;
-
болтов классов точности С – 8g;
-
гаек классов точности А и В – 6Н;
-
гаек классов точности С – 7Н.
-
Таким образом, болт исполнения 1 с диаметром резьбы d = 12 мм, длиной l = 60 мм, с крупным шагом резьбы с полем допуска 6g, класса прочности 5.8, без покрытия будет обозначаться так:
Болт М12-6g х 60. 58 ГОСТ 7798-70
2. Маркировка болтов, винтов и шпилек
Способы маркировки болтов, винтов и шпилек установлены стандартами ГОСТ ISO 898-1-2014 для крепежа, производимого в соответствии с ГОСТ, и ISO 898-1 для крепежа, произведенного в соответствии со стандартами DIN, DIN ISO, DIN EN ISO.
Маркировка болтов, винтов и шпилек включает товарный знак изготовителя и класс прочности.
2.1. Маркировка товарного знака изготовителя
Товарный знак изготовителя должен быть нанесен на всех изделиях, на которых указывают классы прочности, в процессе их изготовления. Товарный знак также рекомендуется наносить на изделия, на которых не указывают класс прочности.
2.2. Маркировка класса прочности
Символы, которые следует указывать при маркировке классов прочности приведены в таблице.
| Класс прочности | 4.6 | 4.8 | 5.6 | 5.8 | 6.8 | 8.8 | 9.8 | 10.9 | 12.9 |
| Символ маркировки | 4.6 | 4.8 | 5.6 | 5.8 | 6.8 | 8.8 | 9.8 | 10.9 | 12.9 |
Для болтов и винтов небольших размеров или когда символы маркировки, указанные в вышеприведенной таблице невозможны из-за формы головки, допускается применять приведенные в следующей таблице символы маркировки по системе циферблата.
| Класс прочности | 4.6 | 4.8 | 5.6 | 5.8 | 6.8 | 8.8 | 12.9 |
| Символ маркировки | ![]() |
![]() |
![]() |
![]() |
![]() |
![]() |
![]() |
a — положение соответствующее 12 часам (контрольная отметка), необходимо маркировать либо товарным знаком изготовителя, либо точкой.
b — класс прочности маркируется штрихом, либо двойным штрихом, а для класса прочности 12,9 — точкой.
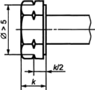
2.3. Болты и винты с шестигранной и звездообразной головкой
Болты и винты с шестигранной и звездообразной головкой следует маркировать товарным знаком изготовителя и обозначением класса прочности.
Маркировка на болты и винты с шестигранной головой наносится на верхней части головки выпуклыми или углубленными знаками или на боковой части головки углубленными знаками. Для болтов и винтов с фланцем маркировку следует наносить на фланце, если в процессе производства невозможно нанести маркировку на верхней части головки.
Маркировка является обязательной для крепёжных изделий всех классов прочности и номинальным диаметром d ≥ 5 мм.
![]() |
![]() |
a —Товарный знак изготовителя.
b —Класс прочности.
2.4. Болты и винты с шестигранным и звездообразным углублением в головке, болты с полукруглой головкой и квадратным подголовником
Данные болты и винты следует маркировать товарным знаком изготовителя и обозначением класса прочности. Маркировка является обязательной для крепёжных изделий всех классов прочности и номинальным диаметром d ≥ 5 мм.
Маркировка на болты и винты наносится на верхней части головки выпуклыми или углубленными знаками или на боковой части головки углубленными знаками.
![]() |
![]() |
![]() |
2.5. Маркировка болтов и винтов с левой резьбой
Болты и винты с левой резьбой и номинальным диаметром резьбы d ≥ 5 следует маркировать нанесением обозначений, показанных на рисунке, либо на верхней части головки либо на торце.
Альтернативный метод маркировки левой резьбы, применяемый для болтов и винтов с шестигранной головкой:
s – Размер «под ключ».
k – Высота головки.
3. Маркировка шпилек
Шпильки номинальным диаметром резьбы d ≥ 5 классов прочности 5.6, 8.8 и выше маркируются углубленными знаками с нанесением класса прочности и товарного знака изготовителя на участок шпильки без резьбы. Если маркировка на участке без резьбы невозможна допускается маркировка только класса прочности на гаечном конце шпильки.
Допускается в качестве альтернативной применять символы, приведенные в таблице.
| Класс прочности | 5.6 | 8.8 | 9.8 | 10.9 | 12.9 |
| Символ маркировки | ![]() |
![]() |
![]() |
![]() |
![]() |
4. Маркировка гаек
Способы маркировки гаек установлены стандартами ГОСТ ISO 898-2-2015 для крепежа, производимого в соответствии с ГОСТ, и ISO 898-2 для крепежа, произведенного в соответствии со стандартами DIN, DIN ISO, DIN EN ISO.
Маркировка гайки включает класс прочности, клеймо изготовителя может быть установлено производителем при необходимости.
Для маркировки гайки может использоваться символьное обозначение по системе циферблата, как и в случае с болтами.
Шестигранные гайки с диаметром резьбы d ≥ 5 следует маркировать углубленными знаками на боковой стороне или на опорной поверхности или выпуклыми знаками на на фаске. Выпуклые знаки не должны выходить на опорную поверхность гайки.
| Примеры маркировки символа обозначения | Примеры маркировки кодовым символом (система циферблата) |
![]() |
![]() |
4.1 Маркировка гайки с левой резьбой
Гайки с левой резьбой следует маркировать стрелкой, как показано на рисунке, вдавливанием на опорной поверхности гайки.
Маркировка обязательно для гаек диаметром резьбы М5 и более.
Можно применять также альтернативную маркировку для левой резьбы, как показано на рисунке.
1) s – Размер «под ключ».
5. Приобретайте крепежные изделия в Стройметизе
Наша команда экспертов готова помочь вам найти подходящий крепеж для вашего следующего проекта. По вопросу наличия и возможности заказа представленных болтов, винтов, шпилек и гаек обращайтесь по телефону 8 (812) 608-64-74 или оставьте свою заявку через сайт.























